Enlaces accesibilidad

El satélite de la ESA Sentinel-1A vigila el salar boliviano de Uyuni, el mayor del mundo

  • Se trata de una zona de más de 10.000 kilómetros cuadradados
  • La imagen permite conocer la topografía de los terrenos
  • Uyuni es una zona adecuada para calibrar los instrumentos de la misión
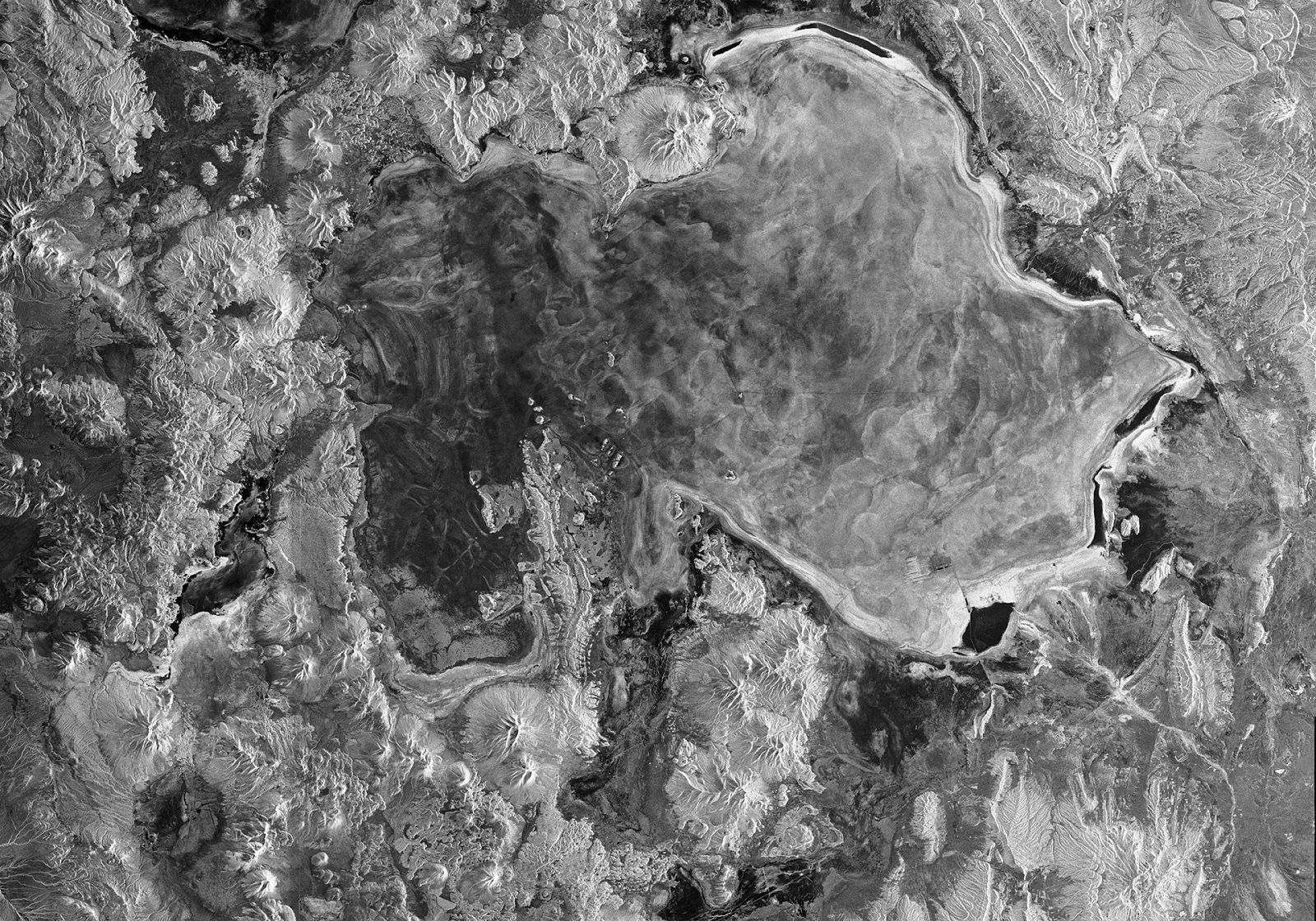
Imagen del salar de Uyuni obtenida por el satélite Sentinel-1A de la ESA.
RTVE.es

La Agencia Espacial Europea (ESA) ha difundido una de las primeras imágenes obtenidas por el satélite que vigila la Tierra, Sentinel-1A y que fue lanzado al espacio el pasado 3 de abril.

La imagen, obtenida el 20 de abril, muestra el salar más grande del mundo, que es el de Uyuni en Bolivia y ocupa más de 10.000 kilómetros cuadradados. Se encuentra en el extremo sur del Altiplano boliviano, una meseta de drenaje del interior de los Andes centrales.

Hace unos 40.000 años, esta zona formaba parte de un lago prehistórico gigante que secó y ha dejado el salar, según ha informado la ESA en un comunicado.

Superficies captadas por Sentinel-1A

El salar tiene un blanco casi homogéneo en las imágenes de satélite, aunque en la fotografía difundida por la ESA,  Uyuni se ve en tonos grises y con una forma parecida a un lago. Esto se debe a cómo reacciona la señal de radar frente a las diferentes superficies.

Así, las áreas en las que se absorbe la señal de radar estas aparecen más oscuras, mientras que las áreas en las que la señal vuelve al satélite son más claras. Esto facilita a los expertos en observación de la Tierra saber si las superficies son lisas o rugosas, las diferencias en la densidad de la sal e incluso conocer si hay agua.

Según esta imagen, el salar de Uyuni es muy plano, con una variación de la elevación de la superficie de menos de un metro. Esto hace que la zona sea adecuada para calibrar los altímetros, un instrumento diferente al radar que mide la topografía de las superficies. Y es que la futura misión Sentinel-3 llevará un altímetro de radar.

El terreno circundante es rugoso en comparación con el gran salar y está dominado por los volcanes de las montañas de los Andes que forman parte del Cinturón de Fuego del Pacífico.

Misión Copérnico

El satélite que acaba de poner en órbita la Agencia Espacial Europea (ESA), el Sentinel-1A, forma parte de un nuevo proyecto de observación de la Tierra llamado Copérnico.

La misión consiste en una constelación de dos satélites idénticos -la ESA prevé lanzar en 2015 el Sentinel-1B-. El que se encuentra en órbita está equipado con un radar avanzado que proporciona imágenes diurnas y nocturnas de la superficie terrestre, y en cualquier condición meteorológica.

Esta misión tiene previsto mejorar numerosos servicios, como la medida de la extensión de hielo en el Ártico; el mapeo rutinario del hielo marino; la vigilancia del medio marino -incluyendo derrames de crudo y detección de navíos-; la monitorización de movimientos en la superficie terrestre; la gestión del suelo, el agua y las selvas.